Предприятие "Киевспецсталь".  Изготовление бронедверей (входных металлических дверей).

киевспецсталь

Замки CISA (Италия):

замки cisa лого

Замки "верхние":

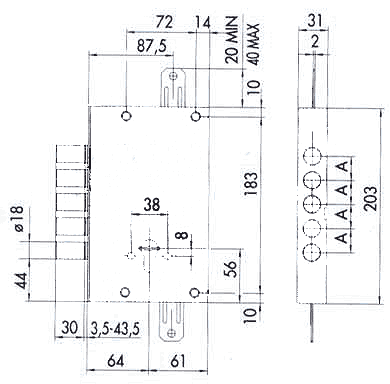
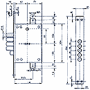
Цилиндровые замки CISA с плавным закрыванием серии 56:

замок cisa 56505 схема

Mодели замков Cisa серии 56:

56505 - Врезной "верхний" цилиндровый замок с плавной передачей усилия с цилиндра на запирающие элементы (закрывание происходит не рывками, а плавно). Помимо удобства, такой способ закрывания более защищен от взлома. Полное запирание за 2 оборота по 360', диаметр ригелей 18 мм, вылет ригелей 30мм.

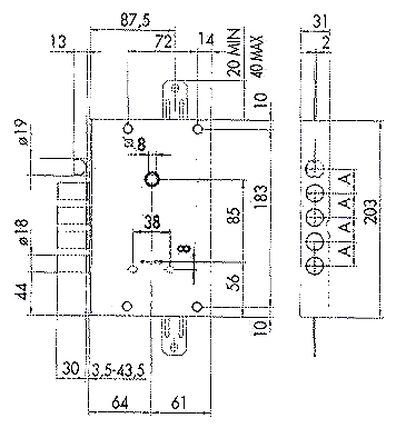
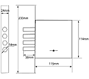
Сувальдные замки CISA с креплением за лицевую планку:

замок cisa 57028 схема

Mодель Cisa 57028

Замок сувальдной (сейфовой) конструкции. Данный замок, как правило, устанавливают вместо более слабых и подлежащих замене Fayn, старых Kale и других замков, которые были установлены за лицевую планку. Ригеля замка диаметром 14мм выходят на 38мм.

Замки "нижние" (с защелкой и ручкой) и двух системные (два замка в одном):

Сувальдный замок CISA B7535

замок cisa b7535 схема

Mодель замка Cisa В7535

Основной сувальдный замок с креплением за лицевую планку и дополнительными тягами для многостороннего запирания. 4 ригеля диаметром 18 мм. Удобен в заменах других замков подобного типа ведущих итальянских производителей.

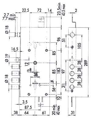
Сувальдные замки CISA c возможностью перекодировки ключей серии 57:

замок cisa 57 схема

Модели замков Cisa серии 57:

57685 Врезной сувальдный замок для металлических дверей. Три точки запирания. Четыре ригеля диаметром 18 мм с ходом 37 мм. Защелка приводится в действие ключом и фалевой ручкой. Полное запирание в 4 оборота. Возможность перекодировки на новый комплект ключей.

Двух системные замки CISA (два замка в одном) с перекодировкой ключей серии 57:

замок cisa замок cisa 57 2 в 1 схема

Mодели замков Cisa серии 57:

57986 - Врезной двойной замок с перекодировкой на новый комплект ключей. Три точки запирания. Верхний цилиндровый механизм выдвигает один ригель диаметром 18 мм с ходом 19 мм, два оборота. Нижний, сувальдный механизм - четыре ригеля диаметром 18 мм с ходом 37 мм. Полное запирание в 4 оборота. Оба замка независимы.

Двух системные двух цилиндровые замки CISA (два замка в одном):

замок cisa 56766 схема

Mодели замков Cisa 56766:

Врезной двойной двух цилиндровый замок. Может быть исполнен как в зависимом так и в независимом варианте. Зависимый вариант - замки необходимо открывать и закрывать в определенной последовательности. Один замок блокирует другой. В независимом варианте - замки работают раздельно.
iplogger.ru - IP Logging Service