Замки виробника Kale

замки kale

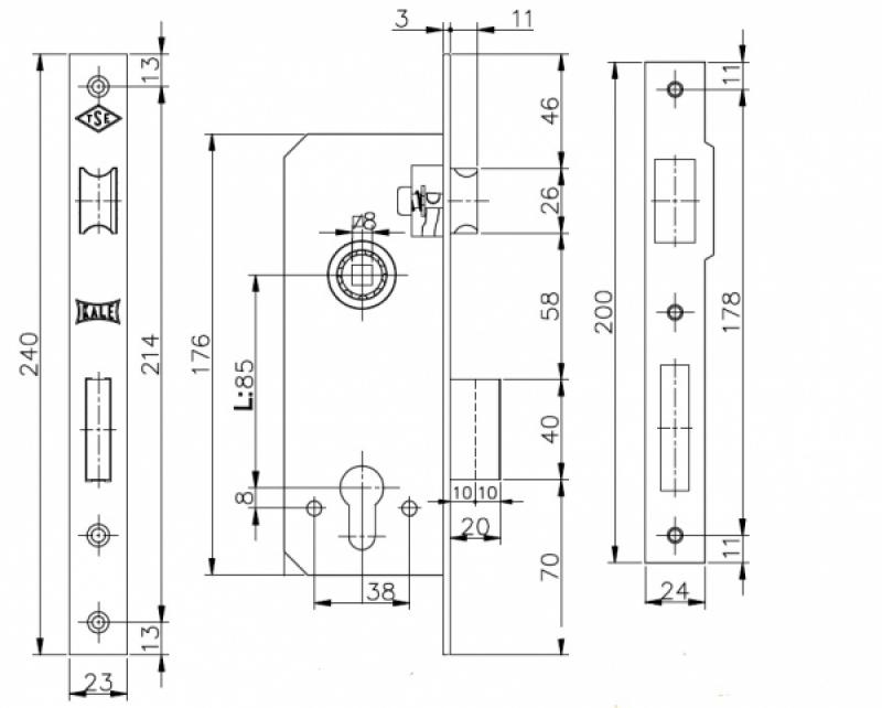
Kale 257

Врізний замок Kale 257

призначений для установки на металеві та броньовані двері товщиною від 40 мм. Замки Kale 257 має додаткову Бронепластини для захисту замку від висвердлювання і сувальдний механізм секретності. Привід ручки замка Kale 257 обладнаний підшипником, який забезпечує м’який і легкий хід.

 

Замок Kale 257ісполняется в двох варіантах: для лівих і правих дверей. Надійний, міцний, взломостойкий замок сувальдного типу Kale 257L, що має 8 пластин секретності, впевнено захистить металеві вхідні двері від злому. Призначений для установки на металеві двері. Вироблено в Туреччині. Якість продукції Kale Kilit підтверджено Сертифікатом Якості Інституту Стандартизації Туреччини (TSE).

 

Відповідає ГОСТ 5089-2003, ГОСТ 5038-2001. Якість виробничого процесу заводу Kale Kilit підтверджено Сертифікатом ISO 9000.

Тип замка: виразний;

Кількість ригелів: 3;

Матеріал: сталь;

Колір: нікель;

Наявність засувки: немає;

Кількість оборотів: 3;

Кількість ключів: 4 шт;

Клас безпеки: 3;

Тип ключа: сувальдний;

Діаметр ригелів: 16 мм;

Розміри: 210х110х28;

Kale 189

Опис:

Замок врізний KALE – це виразний замок підвищеної надійності з хрестовим ключем для дерев’яних і металевих дверей з 3 стрижнями круглого перетину.

 

Характеристики:

 

Призначення – Для металевих дверей і дерев’яних дверей 

Тип замку – Врізний

Видалення ключового отвору (Backset) – 50 мм

Вид – Замок

Кількість ригелів – 3

Тип механізму секретності – Циліндровий

Тип ригеля – Овальний

Кількість ключів – 5 шт

Розмір планки – 190 х 23 см

Покриття – Гальванічне

Вага – 190 г

Країна-виробник – Туреччина

Гарантія – 12 місяців

Kale 252

Циліндровий замок Kale 252R має трьох кроковий механізм, хід якого полегшений вбудованим підшипником, пом’якшувальною поворот ключа і продовжує життя всій системі в цілому.

 

Замок Kale 252R входить в серію важких замикаючих систем і призначений для масивних металевих дверей.

Технічні характеристики:

Тип замку – циліндровий Габарити 210 х 110 мм

Кількість ригелів – 3

Діаметр ригелів 16 мм

Вихід ригеля 34,5 мм

3 обороту ключа

Квадрат 8 мм

Бексет 57 мм

Міжцентрову відстань 85 мм

Торцева планка 300 х 28 х 3 мм

Колір торцевої планки – нікель

Реверсивна засувка

Виробництво: Туреччина

Бренд: Kale

Серія: 252 / R

Призначення: Основний

Область застосування: Металеві двері

Спосіб монтажу: Врізний

Тип: Механічний

Тип замикання: Одностороннє

Тип ключа: Циліндровий

Бексет: 58 мм.

Міжцентрову відстань: 85 мм.

Гарантія: 12 міс.

Вага товару (од.): 1.44 кг.

Kale 252RL

Kale 252 RL – врізний сувальдний замок, розрахований на установку в масивні сталеві двері. Оснащений універсальної засувкою для правих / лівих дверей. Привід ручки замка забезпечений підшипником, що забезпечує м’який і легкий хід, а також значно збільшує термін служби замку. Засувка відмикається по обидва боки ручкою і ключем. Замок Kale 252RL забезпечений Бронепластини, яка служить захистом корпусу замку і опорної стійки від висвердлювання. характеристика: тип замка – сувальдний клас безпеки – 3 кількість ригелів – 3 діаметр ригелів – 16 мм. колір – нікель кількість ключів – 5шт. Трьохригельний, запірающе-фіксуючий, сувальдний замок. Посилена “важка” модель, розрахована на установку в масивні сталеві двері Привід ручки замка забезпечений підшипником. Це забезпечує м’який і легкий хід, а так само значно збільшує термін служби замку Три сталевих хромованих ригеля діаметром 16 мм. Виліт ригелів 34 мм. Ригелі прибираються ключем. Засувка відмикається по обидва боки ручкою і ключем.

Kale 257RL

Замок KALE 257-RL характеристика: Три сталевих хромованих ригеля діаметром 16 мм. Виліт ригелів 34 мм клас безпеки – 3 колір – нікель кількість ключів – 5 Трьохригельний, що замикає, сувальдний замок Посилена “важка” модель, розрахована на установку в масивні сталеві двері. Замок врізний Kale 257 RL – це трехрігельний, запірабщій, сувальдний замок, призначений для установки в масивні металеві двері. Це посилена, “важка” модель 3-го класу безпеки. Замок оснащений трьома сталевими хромованими ригелями діаметром 16 мм. Виліт ригелів 34 мм. Броньовані пластина із загартованої сталі забезпечує додатковий захист від потенційного злому замка шляхом висвердлювання сугальдного механізму. Замок може бути встановлений як на праві, так і ліві двері.

Kale 2000

Дана модель має на увазі продаж корпусу замку як однієї з деталей комплекту, без ручок і циліндрового механізму. Призначений для установки на дерев’яні та металеві двері. Універсальна засувка дозволяє встановлювати замок Кале на ліві і праві двері, переворот язичка відбувається без розбирання корпусу. Замок можна укомплектувати дверними ручками на планці з міжосьовим відстанню 85 мм, або роздільними ручками з ключовими накладками. Циліндровий механізм підбирається з розрахунку товщини дверного полотна. Наприклад, товщина двері 40 мм – довжина циліндра 60 мм (з урахуванням ручок або ключових накладок). Особливості моделі 152-3MR (Кале 2000): Виробник – Кале Країна виробник – Туреччина Додаткові отвори в корпусі для кріплення ручок Засувка для лівих і правих дверей Три сталеві ригелі Опорний підшипник для плавного ходу Комплект поставки: корпус замку планка комплект кріплення упаковка Технічні характеристики: Тип замку – виразний циліндровий Країна виробник – Туреччина Кількість ригелів – 3 Бексет – 45 мм Міжосьова відстань – 85 мм Діаметр ригеля – 12 мм виліт ригеля – 20 мм Розміри замку -175x74x14 мм Розмір торцевої планки – 240×23 мм Відстань між отворами кріплення – 214 мм колір латунь Якість продукції Kale Kilit підтверджено Сертифікатом Якості Інституту Стандартизації Туреччини (TSE). Відповідає ГОСТ 5089-2003, ГОСТ 5038-2001. Якість виробничого процесу заводу Kale Kilit підтверджено Сертифікатом ISO 9000